Um die Firmware 'ESPEasy' auf einem ESP8266 Modul zu flashen gibt es zwei Möglichkeiten. Die erste Möglichkeit ist, dass Flashtool 'flash.cmd' aus dem ESPEasy zip-Packet zu benutzen. Die zweite via ArduinoIDE. Da meiner Meinung nach die erste Variante die Einfachere ist, begrenze ich mich auf diese Beschreibung.
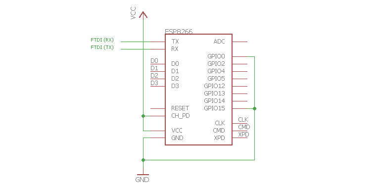
Wenn man kein ESP-Bord wie bspw. ein Wemos D1 oder ein NodeMCU benutzt muss man den ESP vor dem Betrieb mit der entsprechenden Beschaltung "vorbereiten". Diese Beschaltung unterscheidet sich auch zu der, die für den normalen Betrieb benötigt wird. Zusätzlich wird noch ein USB-RS232 Adapter benötigt. Am besten einen der gleich auch noch die 3,3V mit ausreichender Leistung für den ESP bereit stellt. Nach dem Anschluss des Adapters wird dieser, nach der Installation des Treibers, im Gerätemanager angezeigt. Die Nummer des COM-Ports benötigt man beim flashen des ESP mit dem flash.cmd Tool.
| ESP8266 Boot Optionen | ||||
| GPIO15 | GPIO0 | GPIO2 | Mode | Bemerkung |
| 0 | 1 | 1 | Flash | Boot vom SPI Flash (Normaler Start) |
| 0 | 0 | 1 | UART | Program via UART (TX/RX) |
| 1 | x | x | SDIO | Boot from SD-Card |

Die ESPEasy Firmware flashen in sechs Schritten:
- Herausfinden welche Flashsize ich für mein ESP Modul benötige. Eine Übersicht über die Flashspeichergröße findet man hier: Link (ganz unten)
- Herunterladen der Firmware. Zum Beispiel von hier: ESPEasy - Firmware
- Das Heruntergeladene Archiv entpacken und die 'flash.cmd' ausführen.
- Jetzt den COM-Port eintragen der vom FTDI-Adapter (USB-Serial Wandler) benutzt wird. z.B. '4'
- Als nächstes wird die entsprechende Flashsize für den ESP8266 eintragen. 512, 1024 oder 4096
- Und nun noch die Build Version der Firmware eintragen die gerade geflasht werden soll. z.B. '142'
Ein Beispiel:
Der FTDI-Adapter hat den COM-Port 4 bekommen und es soll die Build 142 auf einen ESP07 geflasht werden.
Nach erfolgreichem Hochladen der Firmware muss das ESP-Modul noch einmal, durch drücken/auslösen eines Reset's oder durch die Unterbrechung der Stromversorgung, neu gestartet starten. Das ESP-Modul sollte nun einen Wifi Access Point mit dem Namen ESP_0 starten. Dieser ist verschlüsselt und man kann sich mit einem Tablet oder Handy mit diesem verbinden. Das Passwort ist configesp. Nach der erfolgreichen Verbindung wird automatisch die WIFI Konfigurationsseite des ESPEasy aufgerufen. Der ESP hat dafür auch schon die Umgebung gescannt und die gefundenen WLAN SSID-Namen auf der Konfigurationsseite bereitgestellt. Hier muss man nur noch seine SSID wählen und das Passwort dazu eingeben. Nach dem erneuten Neustart, der etwas dauern kann, verbindet sich der ESP mit ausgewähltem Netzwerk und bezieht eine IP-Adresse von DHCP-Server. Der ESP ist danach unter 'http://newdevice' zu finden.